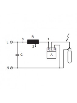
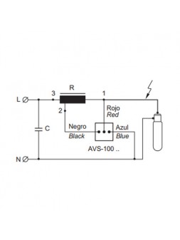
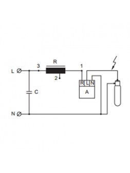
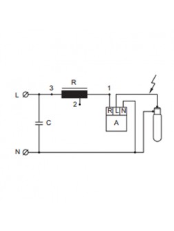
Ballast Ferromagnétique pour lampe SHP 600w
 0
                            0                                                        
 0
                            0                                                        
 0
                            0                                                        
 0
                            0                                                        
 0
                            0                                                        
 3
                            3                                                        
 15
                            15                                                        
 2
                            2                                                        
 8
                            8                                                        
 8
                            8                                                        
 2
                            2