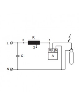
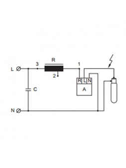
Ballast Ferromagnétique T8=18w/20w 230v BAG
 17
                            17                                                        
 17
                            17                                                        
 0
                            0                                                        
 97
                            97                                                        
 27
                            27                                                        
 15
                            15                                                        
 32
                            32