Douille R7S 118mm 6A 250v 250°C Equerre Acier avec câble 25cm
25

Inclus 0.14 € d'éco-contribution
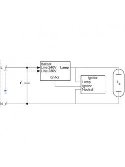
Amorceurs électroniques par superposition pour lampes HS70-400W et HI35-400W.
Forme compacte
Pour lampes à vapeur de sodium haute pression (HS), lampes aux iodures métalliques (HI) et lampes à brûleur céramique (C-HI)
Position de phase de l'impulsion d'allumage: 60–90° et 240–270°
Température de boîtier max.: 105 °C
Fixation: boulon fileté avec rondelle dentée pré-montée et écrou
Pour luminaires de classe de protection I et II
Boîtier: Plastique (PC) avec bornes ? visser: 0,75–4mm²
Tension: 220-240V
Fréquence: 50-60Hz
Courant de lampe max.: 5A
Perte propre: < 3W
Echauffement propre: < 35 K
Tensions d'amorçage: 4-5 kV
Capacité de charge: 20-50 pF
Temps de coupure: -
Boîtier: a (78 mm), b (34 mm), c (27 mm)
1
0.13 Kgs
25
9 -
81
0 -
+999
1 -
200
0 -
200
3 -
127
2
0